Entre em contato +55 (49) 3521.4016
Entre em contato +1 786 753 8812
Relógio comparador digital (tipo avançado)
CODIGO: 2103

PDF

Leitura digital e analógica

Visor poder ser girado em até 320°

Teclas com funções: tolerância passa e não passa, preset de dados, mudança da direção de medição, medição máx./ mín./range, conversão milímetro/polegada, medição absoluta/incremental

Bateria CR2032, desligamento automático

Saída de dados USB

Acessórios opcionais: cabo de conexão para saída de dados para computador (pág. A1-A2), tampa traseira (pág. F15), e pontas de contato especiais (pág. F11-F14)

 

Resolução 0.001 mm/0.00005"

Código

Capacidade

Exatidão(fges)

Histerese(fu)

Tampa

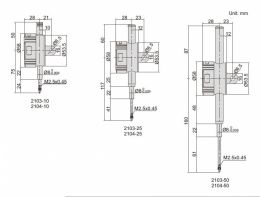
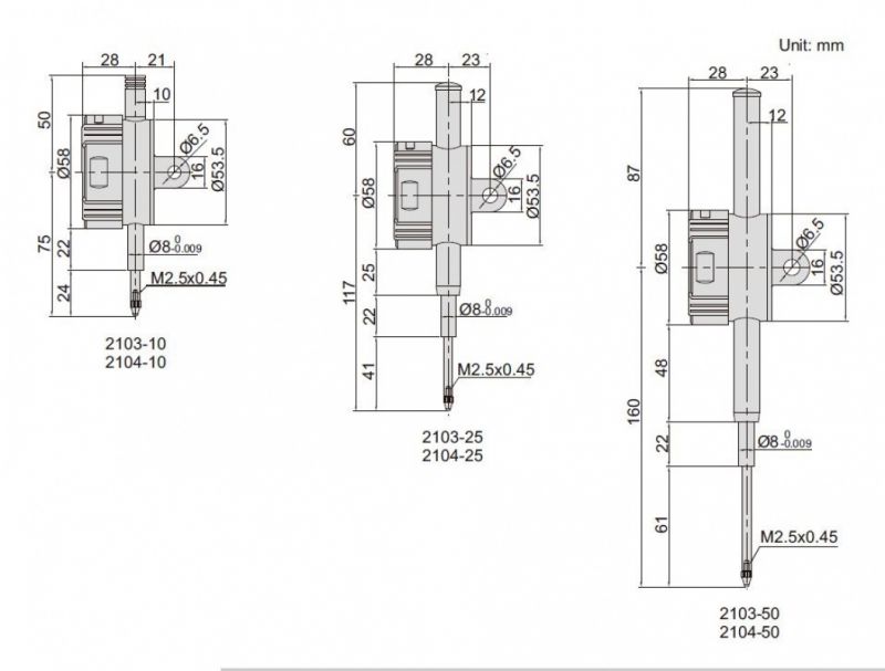
2103-10

12.7mm/0.5"

5µm

2µm

c/ orelha

2103-25

25.4mm/1"

5µm

3µm

c/ orelha

2103-50

50.8mm/2"

6µm

3µm

c/ orelha

2103-10F

12.7mm/0.5"

5µm

2µm

Plana

2103-25F

25.4mm/1"

5µm

3µm

Plana

2103-50F

50.8mm/2"

6µm

3µm

Plana

 

Resolução 0.01 mm/0.0005"

Código

Capacidade

Exatidão(fges)

Histerese(fu)

Tampa

2104-10

12.7mm/0.5"

20µm

10µm

c/ orelha

2104-25

25.4mm/1"

20µm

10µm

c/ orelha

2104-50

50.8mm/2"

30µm

10µm

c/ orelha

2104-10F

12.7mm/0.5"

20µm

10µm

Plana

2104-25F

25.4mm/1"

20µm

10µm

Plana

2104-50F

50.8mm/2"

30µm

10µm

Plana

For English, click on the pdf file.

Produtos relacionados