Entre em contato +55 (49) 3521.4016
Entre em contato +1 786 753 8812
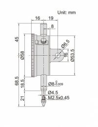
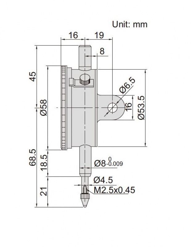
Relógio comparador DIN 878
CODIGO: 2308

PDF

Mecanismo com mancais de rubi

Fornecido com limitadores de tolerância, trava do mostrador e ponta de medição de metal duro

Acessórios opcionais: tampa traseira (pág. F15), e pontas de contato especiais (pág. F11-F14)

 

Código

 

Graduação

Exatidão(fges)

Histerese(fu)

Curso/volta

Leitura

Tampa

2308-3A

3mm

0.01mm

11µm

3µm

1mm

0-100

c/ orelha

2308-5A

5mm

0.01mm

11µm

3µm

1mm

0-100

c/ orelha

2308-10A

10mm

0.01mm

13µm

3µm

1mm

0-100

c/ orelha

2308-3FA

3mm

0.01mm

11µm

3µm

1mm

0-100

Plana

2308-5FA

5mm

0.01mm

11µm

3µm

1mm

0-100

Plana

2308-10FA

10mm

0.01mm

13µm

3µm

1mm

0-100

Plana

 For English, click on the pdf file.

 

Produtos relacionados